[tintuc]
Tụ bù hạ thế được đấu nối vào lưới điện hạ thế và các thiết bị điện có hệ số Cos phi thấp nhằm nâng cao hiệu suất làm việc của thiết bị và giảm tổn thất trên hệ thống lưới điện. Xu thế bù sâu về lưới hạ thế đang ngày càng phát huy hiệu quả, tuy nhiên trong quá trình vận hành có một số lưu ý mà người lắp đặt và vận hành cần quan tâm:
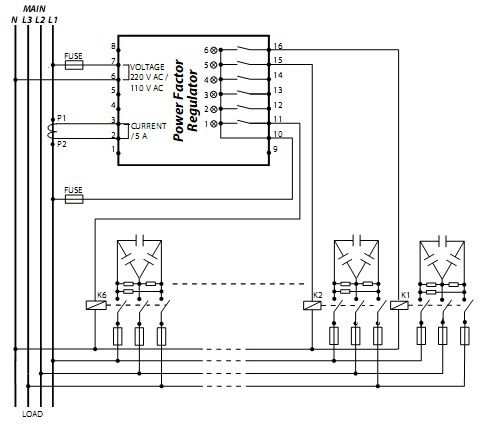
1. Đấu đúng sơ đồ:
– Trường hợp 1: Tín hiệu dòng điện và điện áp pha cấp cho rơ le phải cùng 1 pha. (đối với loại rơ le SK, Mikro)
Ghi chú: K1,K2, K6: Khởi động từ (contactor điều khiển đóng ngắt)
P1+P2 :Biến dòng
– Trường hợp 2: Tín hiệu dòng điện lấy trên 1 pha còn tín hiệu điện áp dây cấp cho rơ le lấy trên 2 pha còn lại ( đối với loại rơ le SK, Mikro, REGO-Ducati). Riêng đối với rơ le REGO có thể đấu một trong 3 sơ đồ: FF-1(Biến dòng 1 pha, điện áp dây 2 pha còn lại); FF2 (Biến dòng 1 pha, điện áp dây pha lắp biến dòng); FF-n ( Biến dòng và điện áp pha cùng 1 pha). Sơ đồ đấu phải được cài đặt trong rơ le, thông thường sử dụng sơ đồ FF-1.
– Vị trí lắp đặt biến dòng: Biến dòng lấy tín hiệu đưa vào rơ le điều khiển tụ bù phải bao gồm cả dòng điện của tải và dòng điện qua tụ. Nên lắp đúng cực tính của biến dòng: dòng sơ cấp đi vào K đi ra L, tín hiệu dòng thứ cấp cực K, L của biến dòng nối với cực K, L của rơ le.( mặc dù đa số các rơ le có thể tự động chọn cực tính). Tủ hạ thế có nhiều xuất tuyến thì biến dòng phải lắp tại cáp liên lạc.
[/tintuc]

